CASINO-THÉÂTRE (ANCIEN CASINO)
58 - Pougues-les-Eaux
avenue de Conti
- Dossier IA58001333 réalisé en 2019
- Auteur(s) : Fabien Dufoulon
Présentation
Création du premier casino (années 1830-1840)
Le premier casino est créé par la société du docteur Joseph-Pierre Martin, propriétaire de l'établissement thermal de 1831 à 1854, dans un édifice construit peut-être dans les années 1820. Deux gravures montrent le site au milieu du 19e siècle. La "gracieuse et assez vaste habitation" en pierre de taille que décrit Félix Roubaud (1870) semble bien correspondre à l'édifice à deux niveaux, couvert d'un toit à deux pans et à croupes, situé à proximité immédiate de la source Saint-Léger. Sa façade s'étend sur sept travées de longueur. Dans la gravure de Wormser, les trois travées centrales forment un avant-corps surmonté d'un fronton triangulaire. Dans l'autre représentation, diffusée sous forme de carte postale plusieurs décennies plus tard, la façade est plus simple. Toujours d'après Roubaud, l'édifice a été construit sur les ruines du couvent des Capucins (ce qui est difficile à vérifier) et comprend trois salons ("casino des malades") au rez-de-chaussée et l'appartement du directeur à l'étage.Il ne subsiste rien de ce premier casino, qui est détruit à la fin des années 1850. Il n'est pas impossible que le bâtiment lui-même date en réalité de l'Ancien Régime. Conçu comme une demeure bourgeoise et situé juste devant la source Saint-Léger, il pourrait bien correspondre à la maison construite pour l'intendant des eaux au 18e siècle.
Construction du casino-théâtre (1860-1863) et aménagement du premier cercle
En 1854, tout comme l'établissement thermal et son parc, le premier casino devient la propriété d'une nouvelle société, dont le gérant est Charles de Montlouis. D'après Roubaud (1870) qui cherche à régler ses comptes avec la société contre laquelle il est plus tard en conflit, le nouveau gérant cherche à imiter l'exemple de Vichy et engage des dépenses considérables dans un "projet insensé" pour attirer de riches curistes. Car c'est précisément à eux qu'Auguste Chevalier compte revendre les terrains qu'il est en train de rassembler, devant l'établissement thermal, dans le cadre d'une vaste opération de spéculation foncière ("Parc Chevalier"). Le bâtiment abritant l'ancien casino est donc détruit, et un nouvel édifice est bâti à sa place. Le projet et les premiers travaux doivent dater de la fin des années 1850, puisque Félix Roubaud (1860) parle d'un casino "récemment construit". Quelques années plus tard, Castanié (1868) précise que la pièce Maître Adam Billault est jouée pour l'inauguration du théâtre. Le livret de la pièce est publié en 1863 ; on peut donc supposer qu'à cette date, les derniers travaux d'aménagement intérieur et de décoration sont achevés. De la même année date le livret d'une pièce consacrée à Henri III, de l'année suivante celui d'une pièce consacrée au prince de Conti. Le nom de l'architecte n'est pas connu. Le coût des travaux, vraisemblablement considérable, n'a certainement pas pu être supporté par la société qui est placée en liquidation et mise en vente en 1865.Ce nouveau casino correspond à la partie sud de l'édifice actuel. Il est représenté sur la vue du site au début du guide (1860) de Félix Roubaud, qui décrit sa distribution et son décor intérieur. Le perron donne accès à "un immense salon rectangulaire, dont les moulures fouillées et artistement [sic] ciselées sont veuves de ce clinquant doré qui sert, d'ordinaire, de masque à quelque pauvreté". Ce salon de trois travées de longueur, où se tiennent les concerts et les bals, est encadré par deux salons latéraux de deux travées chacun. La cloison entre le salon central et le salon de droite est mobile, la plupart du temps ouverte. Lorsqu'elle est fermée, le salon de droite devient une salle de jeux de cartes, de dominos et d'échecs. Un salon de lecture ("on y trouve tous les journaux et les principales revues de Paris") occupe le côté gauche. Un abonnement (20 francs par personne) permet aux curistes d'accéder au salon de lecture à volonté ; les autres paient leur entrée. Les abonnés ont également droit à une chaise, lors des concerts dans le parc, et bénéficient d'un demi tarif aux spectacles organisés à l'intérieur. Pour animer les soirées, on fait appel à des musiciens du Théâtre des Italiens. La description correspond à un plan gravé, qui montre par ailleurs la présence d'un foyer des artistes dans le corps secondaire qui forme un retour à angle droit au sud. Ce foyer des artistes est remplacé par des loges par Jean-Baptiste Potin, qui en dessine la façade, en 1896. Des photographies anciennes permettent enfin de connaître le décor de la salle de spectacle, et un inventaire ancien (1910) donne un aperçu du mobilier en place, qui comprend 98 chaises, 20 fauteuils, 3 canapés, 3 divans et 12 banquettes.
Un second bâtiment, plus ancien semble-t-il, doit se situer au nord du premier puisqu'on peut y accéder directement depuis le salon de lecture. Il doit donc correspondre au bâtiment à lucarne pignon figurant à l'extrême gauche de la gravure du guide de 1860. Il s'agit d'un ancien magasin de l'établissement thermal, que l'on transforme pour abriter un café ou fumoir "où les hommes se réunissent après les repas". Un billard et des tables de jeux assurent leur divertissement à l'intérieur, un tir au pistolet est aménagé à l'extérieur. Dès cette époque se met donc en place la distinction entre un espace de lecture, de musique et de théâtre ("casino" au sens ancien) ouvert au public, et un espace (plus tard appelé "cercle") réservé aux seuls abonnés et consacré aux jeux d'argent, qui sont alors en principe interdits, dans les villes d'eaux comme ailleurs, depuis la loi du 21 mai 1836.
Reconstruction du café et du cercle (1882) et création du kiosque des petits chevaux et du salon de lecture
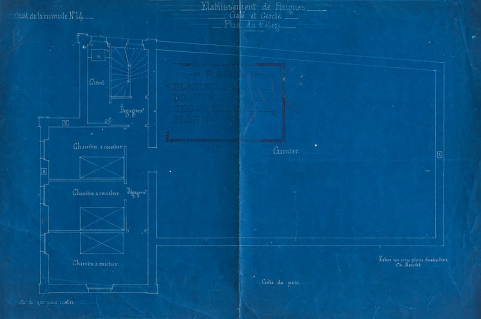
On ignore si des travaux ont été effectués au cercle dans les années 1860 et 1870. Il n'est pas impossible que le bâtiment évoqué dans le guide (1881) de Jean Janicot et Aimé Giron soit encore l'ancien magasin aménagé en café ou fumoir ("Attenant au casino, un café-restauration au rez-de-chaussée et un cercle indépendant au premier étage, avec balcon d'où l'on surprend les lointains et les dessous du parc"). Si des travaux ont été effectués, ils ont dû rester modestes puisque l'on décide de reconstruire entièrement l'édifice au début des années 1880.En avril 1879, une nouvelle société est créée par Édouard Jéramec. Son capital est de 1 300 000 francs. L'architecte Charles Naudet, originaire de Bourgogne, qui a déjà construit l'usine d'embouteillage à Pougues mais qui travaille surtout dans le quartier d'Auteuil à Paris, définit le projet d'un nouveau "café et cercle" au nord du casino. Dans une élévation datée du 24 février 1882, il propose de relier les deux édifices par une galerie vitrée dont la construction est reportée. Le nouveau bâtiment comprend un café au rez-de-chaussée, trois salons au premier étage et trois chambres à coucher au second étage. Un escalier principal conduit du café à l'étage des jeux ; un bureau de contrôle au palier supérieur doit permettre de filtrer l'accès aux jeux. Un grand balcon ouvre en façade ouest. Un escalier de service permet d'accéder au deuxième étage.
La communication entre le casino (au sud) et le café-cercle (au nord) n'est pas assurée avant les années 1890. Charles Naudet (projet du 23 mars 1891) et Jean-Baptiste Potin (projet du 8 avril 1894) proposent la construction d'une salle des petits chevaux de plan rectangulaire, ouverte sur l'extérieur à l'ouest. La salle doit être doublée à l'est par un couloir fermé, dans le projet de Naudet, ou d'une galerie ouverte, dans le projet de Potin. C'est finalement un kiosque métallique de plan octogonal qui est construit, selon toute vraisemblance à partir des éléments de la "buvette" qu'Ernest Pantz envisageait de construire pour servir de rotule entre les promenoirs et l'établissement thermal en 1895. C'est à Jean-Baptiste Potin que revient le soin d'habiller le kiosque de lambrequins en bois, dont il confie l'exécution à un menuisier de Nevers. En août 1895, Jean-Baptiste Potin définit le projet d'une nouvelle salle de lecture qui doit doubler le kiosque du côté est. L'architecte envisage de compléter cette extension par un escalier hors-d’œuvre, qui aurait permis de rejoindre plus facilement les salles de jeux du premier étage. Il abandonne rapidement l'idée, et seule la salle de lecture est construite. Les travaux s'étendent jusqu'en 1896. Ils n'ont pas de répercussions majeurs sur la distribution intérieure des parties anciennes, puisque seule l'ancienne salle de lecture, qui occupait les deux travées nord du casino-théâtre, change de destination pour devenir elle aussi une "salle de jeux" ; elle devient plus tard le "foyer" qui doit être l'entrée principale du bâtiment.
Travaux de la fin des années 1920 et du début des années 1930
L'état actuel de l'édifice résulte des profondes transformations subies à partir de la fin des années 1920. Ces transformations sont liées à la prise en compte de nouveaux besoins. Dans un dessin daté de 1929 et signé par Lucas, agent technique de la Compagnie, une cloison vitrée est ainsi projetée à l'intérieur du kiosque pour faire des petits chevaux, dont la mode est passée, une salle de boules. La Compagnie, qui a de plus grandes ambitions, ne donne pas suite au projet. D'autres interventions visent à unifier les éléments disparates qui composent l'édifice. C'est le sens du projet proposé par les architectes Pol Abraham et Henry Le Même, qui travaillent également à la modernisation de l'établissement thermal situé en face, en 1929-1930. Il consiste en effet à envelopper l'ancien kiosque (dont il propose au début de conserver la structure) derrière une façade en brique creuse recouverte de ciment reprenant la composition de l'élévation de celle du casino de 1860-1863 : pilastres simples ou jumelés, encadrements des baies surmontées de frontons triangulaires, balustrades en bordure de terrasse et de toiture. Il est probable que l'intention de la Compagnie est alors de remplacer le bâtiment du cercle par une aile comparable à celle du casino-théâtre et de créer ainsi une façade équilibrée de part et d'autre de cet avant-corps central. La rotonde centrale ainsi créée est couverte d'une coupole de plan ovoïde en plâtre et en staff. On en fait une salle de boule, tandis que l'ancienne salle de lecture à l'arrière est convertie en salle de baccara.L'article 19 du devis descriptif des architectes en date du 16 décembre 1929 donne des indications sur la rénovation intérieur du casino-théâtre ("dans la salle de théâtre, en plafond et sur [les] murs, en remplacement des panneaux actuellement tendus en étoffe, marouflage à la colle de seigle de toiles peintes par un artiste décorateur"). On peut supposer que l'espace n'est alors pas entièrement cloisonné et que le décor de lambris de style Louis XV est encore en place. Lucien Jonas est l'auteur du nouveau décor peint.
Travaux après la Seconde Guerre mondiale
Le casino rouvre en 1946. Dans un projet daté du 31 décembre 1949, l'architecte Robert Riniéri reprend l'idée de Pol Abraham et Henry Le Même. Il propose de remplacer le bâtiment du cercle par une nouvelle aile qui abriterait le dancing, ce qui entrainerait le transfert des jeux dans l'ancien casino-théâtre. Le projet concomitant de transformation de l'ancien usine de mise en bouteilles située à proximité en salle de cinéma autorise vraisemblablement selon lui le sacrifice de la salle de spectacle. Là aussi, faute de moyens, aucun des deux projets n'aboutit.En 1960, Antoine Siréni achète la Compagnie des Eaux minérales de Pougues, dont dépend encore l'édifice. Les architectes Raymond Gleize et A.N. Coquet proposent la construction d'une galerie moderne plaquée contre la façade du bâtiment du cercle, dont le rez-de-chaussée est effectivement éventrée pour créer trois grandes baies. La galerie elle-même n'est finalement jamais construite. C'est à la même époque qu'est transformé l'intérieur du casino-théâtre pour créer un hall (dans l'ancien "foyer"), un bar et une salle des jeux (dans l'ancienne stalle de spectacle). L'espace est cloisonné et un faux plafond est construit sous l'ancien. Certains éléments du décor (cheminées et boiseries) sont remontés dans les nouvelles salles. Le devis descriptif des travaux prévoit la dépose des décors peints de Julien Jonas. Si certains panneaux semblent bien avoir été déposés ou détruits, d'autres restent en place. Le casino survit à la fermeture de l'établissement thermal dans les années 1970. Les activités de jeux, de bar et de dancing subsistent jusqu'à l'inauguration d'un nouveau casino au nord du parc thermal par le Groupe Tranchant en 2006. L'édifice, sans affectation, est abandonné depuis cette date.
Historique
Le premier casino, créé dans le deuxième quart du 19e siècle peut-être à partir d'un bâtiment du dernier quart du 18e siècle, est détruit. Un nouveau casino-théâtre est bâti en 1860-1863. Il correspond à la partie sud de l'édifice actuel. Un second bâtiment, plus ancien semble-t-il, doit se situer au nord du premier puisqu'on peut y accéder directement depuis le salon de lecture. Il abrite un café ou fumoir (plus tard appelé "cercle"). Il est reconstruit par l'architecte Charles Naudet en 1882. La communication entre le casino (au sud) et le café-cercle (au nord) est assurée par un kiosque métallique de plan octogonal qui est édifié, selon toute vraisemblance à partir des éléments de la "buvette" qu'Ernest Pantz envisageait de construire pour servir de rotule entre les promenoirs et l'établissement thermal en 1895. C'est à Jean-Baptiste Potin que revient le soin d'habiller le kiosque de lambrequins en bois. L'état actuel de l'édifice résulte des profondes transformations subies à partir de la fin des années 1920. Les architectes Pol Abraham et Henry Le Même enveloppent l'ancien kiosque (dont ils proposent au début de conserver la structure) derrière une façade en brique creuse recouverte de ciment reprenant la composition de l'élévation du casino de 1860-1863. Par ailleurs, les intérieurs sont réaménagés ; de cette époque date le nouveau décor peint de Lucien Jonas. Nouveaux changements en 1960 sous la direction des architectes Raymond Gleize et A.N. Coquet, avec notamment le remplacement de la salle de spectacle par un bar et une salle de jeux. L'édifice est désaffecté en 2006.
- 4e quart 18e siècle (?)
- 2e quart 19e siècle (?)
- 3e quart 19e siècle
- 4e quart 19e siècle
Date de naissance : 29 mars 1829 - date de décès : 1906
Architecte, né à Châtillon-sur-Seine. Élève de l’École des Beaux-Arts. Architecte de plusieurs hôtels particuliers dans le quartier d'Auteuil, où il est lui-même installé depuis 1867.
Jean-Baptiste Potin, architecte à Nevers (37, rue du Rivage) à la fin du 19e siècle.
Date de naissance : 10 juin 1858 - date de décès : 22 mai 1940
Directeur d'une usine de construction métallique (Paris, 38-40 rue Sibuet).
Date de naissance : 11 mars 1891 - date de décès : 21 janvier 1966
Date de naissance : 1897 - date de décès : 1997
Date de naissance : 1907 - date de décès : 2000
Riniéri, Robert (1907-2000). Architecte DPLG installé à Metz.
Date de naissance : 25 septembre 1913 - date de décès : 20 janvier 1992
Gleize, Raymond (25 septembre 1913-20 janvier 1992). Architecte.
Date de naissance : 21 avril 1904 - date de décès : 22 juillet 1973
Coquet, André Noël (21 avril 1904-22 juillet 1973). Architecte.
Description
Le bâtiment, aux murs alliant moellons calcaires et béton enduits, comporte un étage carré. Des pilastres cannelés à chapiteau corinthien rythment la partie sud de sa façade, dont la plupart des ouvertures sont couronnées de frontons reposant sur des consoles. Les différents corps sont coiffés par des toits à longs pans, majoritairement avec croupe (sinon pignon couvert) et couverture d'ardoises.
- calcaire
- béton
- moellon
- enduit
- ardoise
- rez-de-chaussée
- 1 étage carré
- élévation ordonnancée
- toit à longs pans, croupe
- pignon couvert
- escalier dans-oeuvre,
- désaffecté, mauvais état
Source(s) documentaire(s)
-
Archives départementales de la Nièvre. Cadastre de la commune de Pougues-les-Eaux. [1812-1953].
Archives départementales de la Nièvre. Cadastre de la commune de Pougues-les-Eaux. [1812-1953].- Atlas parcellaire (1812) : 3 PP 214- État de sections (1812) : 3 P 214/1- Matrices cadastrales des propriétés bâties et non bâties : 3 P 214/2 (folio 1 à 352 et folio 1 à 175)- Matrices cadastrales des propriétés bâties et non bâties : 3 P 214/3 (folio 1 à 220), 3 P 214/4 (folio 221 à 354) 3 P 214/5 (folio 355 à 750), 3 P 214/6 (folio 751 à 1482)- Matrice cadastrale des propriétés bâties (1883-1891) : 3 P 214/7- Matrice cadastrale dite "matrice noire" des propriétés bâties : 3 P 214/8Lieu de conservation : Archives départementales de la Nièvre, Nevers - Cote du document : 3 P 214 -
Archives départementales de la Nièvre. 32 J 225. Fonds de l’établissement thermal de Pougues-les-Eaux. Constructions et réparations des bâtiments dépendant de l’établissement thermal : bains-douches, gymnase, écurie, institut d’hydrothérapie, pavillon des sources, chambres d’embouteillage (1878-1939).
Archives départementales de la Nièvre. 32 J 225. Fonds de l’établissement thermal de Pougues-les-Eaux. Constructions et réparations des bâtiments dépendant de l’établissement thermal : bains-douches, gymnase, écurie, institut d’hydrothérapie, pavillon des sources, chambres d’embouteillage (1878-1939).Lieu de conservation : Archives départementales de la Nièvre, Nevers - Cote du document : 32 J 225 -
Archives départementales de la Nièvre. 32 J 226. Fonds de l’établissement thermal de Pougues-les-Eaux. Inventaire du mobilier (1889-1966). Reconstruction, dommages de guerre (1945-1947).
Archives départementales de la Nièvre. 32 J 226. Fonds de l’établissement thermal de Pougues-les-Eaux. Inventaire du mobilier (1889-1966). Reconstruction, dommages de guerre (1945-1947).Lieu de conservation : Archives départementales de la Nièvre, Nevers - Cote du document : 32 J 226 -
Archives départementales de la Nièvre. 32 J 238-3. Fonds de l’établissement thermal de Pougues-les-Eaux. Plans de Pougues, plans de l’établissement thermal et du parc thermal.
Archives départementales de la Nièvre. 32 J 238-3. Fonds de l’établissement thermal de Pougues-les-Eaux. Plans de Pougues, plans de l’établissement thermal et du parc thermal.Lieu de conservation : Archives départementales de la Nièvre, Nevers - Cote du document : 32 J 238-3 -
Archives départementales de la Nièvre. 32 J 240. Fonds de l’établissement thermal de Pougues-les-Eaux. Construction d’un promenoir couvert (s.d.) ; plan des bâtiments situés dans le parc de Pougues (s.d.) ; plans et dessins de l’établissement thermal (1882-1891) ; parc Chevalier (1884) ; plans du Splendid-Hôtel (1887) ; inscription à l’entrée du parc (1891) ; établissement d’un portillon pour faciliter les relations entre les sources Alice et Elisabeth et la gare de Pougues (s.d.).
Archives départementales de la Nièvre. 32 J 240. Fonds de l’établissement thermal de Pougues-les-Eaux. Construction d’un promenoir couvert (s.d.) ; plan des bâtiments situés dans le parc de Pougues (s.d.) ; plans et dessins de l’établissement thermal (1882-1891) ; parc Chevalier (1884) ; plans du Splendid-Hôtel (1887) ; inscription à l’entrée du parc (1891) ; établissement d’un portillon pour faciliter les relations entre les sources Alice et Élisabeth et la gare de Pougues (s.d.).Lieu de conservation : Archives départementales de la Nièvre, Nevers - Cote du document : 32 J 240 -
Archives départementales de la Nièvre. 32 J 395. Fonds de l'établissement thermal de Pougues-les-Eaux. Hôtel du Parc : travaux et ventes (1924-1933) ; Splendid Hôtel : travaux (1906, 1929-1935) ; Pavillon des sources : construction (1905-1911) ; Buvette Alice (1904, 1907, 1933) ; Chalet Saint-Léger : désaffectation et réutilisation des bâtiments Saint-Léger, réparations (1930-1933) et remise en état pour le docteur Baillet (1938-1939).
Archives départementales de la Nièvre. 32 J 395. Fonds de l'établissement thermal de Pougues-les-Eaux. Hôtel du Parc : travaux et ventes (1924-1933) ; Splendid Hôtel : travaux (1906, 1929-1935) ; Pavillon des sources : construction (1905-1911) ; Buvette Alice (1904, 1907, 1933) ; Chalet Saint-Léger : désaffectation et réutilisation des bâtiments Saint-Léger, réparations (1930-1933) et remise en état pour le docteur Baillet (1938-1939).Lieu de conservation : Archives départementales de la Nièvre, Nevers - Cote du document : 32 J 395 -
Archives départementales de la Nièvre. 32 J 403. Fonds de l’établissement thermal de Pougues-les-Eaux. Casino (1929-1961).
Archives départementales de la Nièvre. 32 J 403. Fonds de l’établissement thermal de Pougues-les-Eaux. Casino (1929-1961).Lieu de conservation : Archives départementales de la Nièvre, Nevers - Cote du document : 32 J 403
-
Établissement de Pougues. Plan du casino. [Seconde moitié du 19e siècle].
Établissement de Pougues. Plan du casino / [auteur inconnu]. [Seconde moitié du 19e siècle]. Dessin. 86 x 52,5 cm. Échelle 1/50.Lieu de conservation : Archives départementales de la Nièvre, Nevers - Cote du document : 32 J 240 -
Établissement des eaux minérales de Pougues (Nièvre). [1860].
Établissement des eaux minérales de Pougues (Nièvre) / Descaries. [1860]. Gravure. 11,5 x 18 cm. In : Roubaud, Félix. Pougues, ses eaux minérales, ses environs. Quatrième édition revue et corrigée. Paris : Libraire J.-B. Baillière et Fils, 1860. 311 p.Lieu de conservation : Archives départementales de la Nièvre, Nevers -
Pougues (Nièvre). [Vue du site et de l'établissement thermal]. [1855].
Pougues (Nièvre). [Vue du site et de l'établissement thermal] / E. Wormser (dessinateur et graveur). In : Berthier, Johanny. Album universel des eaux thermales et des bains de mer. Paris : [s.n.], [1862]. La gravure est publiée une première fois dans : JAMES, Constantin. Guide pratique du médecin et du malade aux eaux minérales. Paris : Victor Masson, 1857, p. 139-141.Lieu de conservation : Collection particulière : château de La Montagne, Saint-Honoré-les-Bains -
Établissement thermal Saint-Léger à Pougues-les-Eaux (Nièvre). Salle des fêtes du casino. [Plan]. [Vers 1860-1863].
Établissement thermal Saint-Léger à Pougues-les-Eaux (Nièvre). Salle des fêtes du casino. [Plan] / [auteur inconnu]. [Vers 1860-1863]. Estampe. 27 x 21,5 cm.Lieu de conservation : Archives départementales de la Nièvre, Nevers - Cote du document : 32 J 395 -
Établissement de Pougues. Café et cercle. Plan du rez-de-chaussée. [Vers 1882].
Établissement de Pougues. Café et cercle. Plan du rez-de-chaussée / Charles Naudet. [Vers 1882]. Diazographie. 45,5 x 30 cm. Échelle 1/50.Lieu de conservation : Archives départementales de la Nièvre, Nevers - Cote du document : 32 J 403 -
Établissement de Pougues. Café et cercle. Plan du premier étage. [Vers 1882].
Établissement de Pougues. Café et cercle. Plan du second étage / Charles Naudet. [Vers 1882]. Diazographie. 44 x 30 cm. Échelle 1/50.Lieu de conservation : Archives départementales de la Nièvre, Nevers - Cote du document : 32 J 403 -
Établissement de Pougues. Café et cercle. Façade latérale de gauche. [Vers 1882].
Établissement de Pougues. Café et cercle. Façade latérale de gauche / Charles Naudet. [Vers 1882]. Diazographie. 29,5 x 32,5 cm. Échelle 1/50.Lieu de conservation : Archives départementales de la Nièvre, Nevers - Cote du document : 32 J 403 -
Établissement de Pougues. Café et cercle. Façade du côté du Splendid Hôtel. [Vers 1882].
Établissement de Pougues. Café et cercle. Façade du côté du Splendid Hôtel / Charles Naudet. [Vers 1882]. Diazographie. 30 x 44 cm. Échelle 1/50.Lieu de conservation : Archives départementales de la Nièvre, Nevers - Cote du document : 32 J 403 -
Établissement de Pougues. Terrasses du café et du casino, salle de jeux. Façade. Coupe de la salle de jeux. 24 février 1882.
Établissement de Pougues. Terrasses du café et du casino, salle de jeux. Façade. Coupe de la salle de jeux / Charles Naudet. 24 février 1882. Dessin. 72 x 30 cm.Lieu de conservation : Archives départementales de la Nièvre, Nevers - Cote du document : 32 J 240 -
[Projet pour l'entrée du casino]. [Fin du 19e siècle].
[Projet pour l'entrée du casino] / [auteur inconnu]. [Fin du 19e siècle]. Dessin. 35 x 28 cm.Lieu de conservation : Archives départementales de la Nièvre, Nevers - Cote du document : 32 J 240 -
Société de Pougues. Communication du casino au cercle et au salon de lecture. Plan d'ensemble. Coupe sur GG du plan. 23 mars 1891.
Société de Pougues. Communication du casino au cercle et au salon de lecture. Plan d'ensemble. Coupe sur GG du plan / Charles Naudet. 23 mars 1891. Diazographie. 65 x 29 cm. Échelle 1/100.Lieu de conservation : Archives départementales de la Nièvre, Nevers - Cote du document : 32 J 240 -
Société de Pougues. Communication du casino au cercle et au salon de lecture. Plan. Élévation. Coupe sur GG du plan. [23 mars 1891].
Société de Pougues. Communication du casino au cercle et au salon de lecture. Plan. Élévation. Coupe sur GG du plan / Charles Naudet. [23 mars 1891]. Diazographie. 50 x 34 cm. Échelle 1/50.Lieu de conservation : Archives départementales de la Nièvre, Nevers - Cote du document : 32 J 240 -
Société des Eaux de Pougues. Communication du cercle au casino et au salon de lecture. 8 avril 1894.
Société des Eaux de Pougues. Communication du cercle au casino et au salon de lecture / [Jean-Baptiste] Potin. 8 avril 1894. Dessin. 47 x 36 cm. Échelle 1/100.Lieu de conservation : Archives départementales de la Nièvre, Nevers - Cote du document : 32 J 240 -
Vue perspective [et plan] de l'établissement thermal. [Vers 1895-1896].
Vue perspective [et plan] de l'établissement thermal / [auteur inconnu]. [Vers 1895-1896]. Imprimeur A. Gentil, Paris. Imprimé. 38 x 24 cm (plan tiré par planche de quatre exemplaires). Échelle 1/1 000.Lieu de conservation : Archives départementales de la Nièvre, Nevers - Cote du document : 32 J 238-3 -
Société de Pougues. Projet d'agrandissement du casino. [Plan]. Coupe transversale sur AB. Élévation du salon de lecture côté nord. 24 août 1895.
Société de Pougues. Projet d'agrandissement du casino. [Plan]. Coupe transversale sur AB. Élévation du salon de lecture côté nord / [Jean-Baptiste] Potin. 24 août 1895. Dessin. 48 x 33 cm. Échelle 1/100.Lieu de conservation : Archives départementales de la Nièvre, Nevers - Cote du document : 32 J 225 -
Société de Pougues. Projet d'agrandissement du casino. Façade de la bibliothèque, côté nord. Coupe transversale. 20 septembre 1895.
Société de Pougues. Projet d'agrandissement du casino. Façade de la bibliothèque, côté nord. Coupe transversale / [Jean-Baptiste] Potin. 20 septembre 1895. Dessin. 42 x 30 cm. Échelle 1/100.Lieu de conservation : Archives départementales de la Nièvre, Nevers - Cote du document : 32 J 225 -
Société des Eaux de Pougues. Projet d'agrandissement du casino. Plan de la salle de lecture et de l'escalier montant à la salle des jeux au-dessus de la bibliothèque. 5 janvier 1896.
Société des Eaux de Pougues. Projet d'agrandissement du casino. Plan de la salle de lecture et de l'escalier montant à la salle des jeux au-dessus de la bibliothèque / [Jean-Baptiste] Potin. 5 janvier 1896. Dessin. 45 x 28 cm. Échelle 1/100.Lieu de conservation : Archives départementales de la Nièvre, Nevers - Cote du document : 32 J 225 -
Casino de Pougues. Projet de transformation de la façade du foyer des artistes. 11 février 1896.
Casino de Pougues. Projet de transformation de la façade du foyer des artistes / [Jean-Baptiste] Potin. 11 février 1896. Dessin. 27,5 x 23 cm.Lieu de conservation : Archives départementales de la Nièvre, Nevers - Cote du document : 32 J 225 -
Café, restauration, cercle. [Vers 1898].
Café, restauration, cercle / A. Deroy. [Vers 1898]. Lithographie. In : Pougues-les-Eaux. Établissement thermal Saint-Léger. Splendid-Hôtel. [S.l.] : [s.n.], [s.d.].Lieu de conservation : Archives départementales de la Nièvre, Nevers -
[Projet de décor réutilisant des éléments anciens, figurés en bleu]. [20e siècle].
[Projet de décor réutilisant des éléments anciens, figurés en bleu] / [auteur inconnu]. [20e siècle]. Dessin. 17 x 11 cm.Lieu de conservation : Archives départementales de la Nièvre, Nevers - Cote du document : 32 J 240 -
Pougues-les-Eaux. Le casino. [Premier quart du 20e siècle].
Pougues-les-Eaux. Le casino / [auteur inconnu]. [S.l.] : [s.n.], [premier quart du 20e siècle].Lieu de conservation : Collection particulière -
Pougues-les-Eaux (Nièvre). Café et casino. [Premier quart du 20e siècle].
Pougues-les-Eaux (Nièvre). Café et casino / [auteur inconnu]. Nevers : E. Bélile, [premier quart du 20e siècle].Lieu de conservation : Archives départementales de la Nièvre, Nevers - Cote du document : 10 Fi 25 -
Pougues-les-Eaux. Salle des Jeux du Casino. [Premier quart du 20e siècle].
Pougues-les-Eaux. Salle des Jeux du Casino / [auteur inconnu]. [S.l.] : L.L., [premier quart du 20e siècle]. Carte postale.Lieu de conservation : Archives départementales de la Nièvre, Nevers - Cote du document : 10 Fi 25 -
Pougues-les-Eaux. Terrasse du casino. [Premier quart du 20e siècle].
Pougues-les-Eaux. Terrasse du casino / [auteur inconnu]. [S.l.] : [s.n.], [premier quart du 20e siècle]. Carte postale.Lieu de conservation : Archives départementales de la Nièvre, Nevers - Cote du document : 10 Fi 25 -
Pougues-les-Eaux. Les jeux et le casino. [Premier quart du 20e siècle].
Pougues-les-Eaux. Les jeux et le casino / [auteur inconnu]. [Pougues-les-Eaux] : F. H., [premier quart du 20e siècle]. Carte postale.Lieu de conservation : Collection particulière -
Pougues-les-Eaux. Les petits chevaux. [Premier quart du 20e siècle].
Pougues-les-Eaux. Les petits chevaux / [auteur inconnu]. Pougues-les-Eaux : Licot, [premier quart du 20e siècle]. Carte postale.Lieu de conservation : Archives départementales de la Nièvre, Nevers - Cote du document : 10 Fi 25 -
Pougues-les-Eaux. Le Casino. Salle de Théâtre. [Début du 20e siècle].
Pougues-les-Eaux. Le Casino. Salle de Théâtre / [auteur inconnu]. [S.l.] : L.L., [début du 20e siècle].Lieu de conservation : Archives départementales de la Nièvre, Nevers - Cote du document : 10 Fi 25 -
Pougues-les-Eaux, il y a un siècle. [Début du 20e siècle].
Pougues-les-Eaux, il y a un siècle / [auteur inconnu]. [Pougues-les-Eaux] : J.L., [début du 20e siècle]. Carte postale.Lieu de conservation : Collection particulière -
Pougues-les-Eaux. Salon des jeux. [Début du 20e siècle].
Pougues-les-Eaux. Salon des jeux / [auteur inconnu]. [S.l.] : [s.n.], [début du 20e siècle]. Carte postale.Lieu de conservation : Collection particulière -
Pougues-les-Eaux. Salle des fêtes du casino. [Vers 1905].
Pougues-les-Eaux. Salle des fêtes du casino / [auteur inconnu]. [Début du 20e siècle]. [S.l.] : [s.n.], [début du 20e siècle]. Carte postale.Lieu de conservation : Collection particulière -
Compagnie des Eaux minérales de Pougues. Projet d'une cloison vitrée sous le kiosque du casino pour y créer une salle de boules. 20 février 1929.
Compagnie des Eaux minérales de Pougues. Projet d'une cloison vitrée sous le kiosque du casino pour y créer une salle de boules / Lucas. 20 février 1929. Dessin. 36 x 31 cm. Échelle 1/100.Lieu de conservation : Archives départementales de la Nièvre, Nevers - Cote du document : 32 J 403 -
Casino de Pougues. Schéma d'aménagement général. 31 décembre 1949.
Casino de Pougues. Schéma d'aménagement général / [Robert Riniéri]. 31 décembre 1949. Reproduction d'un dessin. 100 x 52 cm. Échelle 1/100.Lieu de conservation : Archives départementales de la Nièvre, Nevers - Cote du document : 32 J 403 -
[Vue du bar du casino]. [Troisième quart du 20e siècle].
[Vue du bar du casino] / [auteur inconnu]. [Troisième quart du 20e siècle]. Photographie.Lieu de conservation : Archives départementales de la Nièvre, Nevers - Cote du document : Collection du docteur François (non cotée)
-
Roubaud, Félix. Pougues, ses eaux minérales, ses environs. 1860.
Roubaud, Félix. Pougues, ses eaux minérales, ses environs. Quatrième édition revue et corrigée. Paris : Libraire J.-B. Baillière et Fils, 1860. 311 p. -
Maître Adam Billault, directeur des Eaux de Pougues. Vaudeville en un acte. 1863.
Maître Adam Billault, directeur des Eaux de Pougues. Vaudeville en un acte. Tours : Ladevèze, 1863. 33 p. -
Théâtre de Pougues-les-Eaux. Henri III aux eaux de Pougues. Comédie en un acte. 1863.
Théâtre de Pougues-les-Eaux. Henri III aux eaux de Pougues. Comédie en un acte. Nevers : Imprimerie S. Gourdet, 1863. -
Théâtre de Pougues-les-Eaux. Le Prince de Conti aux eaux de Pougues. Comédie en un acte et en vers. 1864.
Théâtre de Pougues-les-Eaux. Le Prince de Conti aux eaux de Pougues. Comédie en un acte et en vers. Paris : E. Dentu, 1864. -
Castanié, F. M. de. Guide pittoresque illustré de Pougues-les-Eaux et de ses environs (Nièvre). 1868.
Castanié, F. M. de. Guide pittoresque illustré de Pougues-les-Eaux et de ses environs (Nièvre). Paris : Arnauld de Vresse, 1868. IV-110 p. -
Roubaud, Félix. Établissement hydro-minéral de Pougues. Un chapitre de son histoire. 1870.
Roubaud, Félix. Établissement hydro-minéral de Pougues. Un chapitre de son histoire. Paris : Dubuisson, 1870. 35 p. -
Janicot, Jean. Giron, Aimé. Pougues médical et pittoresque. 1881.
Janicot, Jean. Giron, Aimé. Pougues médical et pittoresque. Paris : Motteroz, 1881. 369 p.
À voir
Informations complémentaires
- thermalisme en Bourgogne-Franche-Comté (le)
- salles de spectacle de Bourgogne-Franche-Comté
- © Région Bourgogne-Franche-Comté, Inventaire du patrimoine
