SALON MONNIER, PUIS MODERN HÔTEL
70 - Luxeuil-les-Bains
12 rue des Thermes, 2 allée des Romains
- Dossier IA70001141 réalisé en 2020
- Auteur(s) : Fabien Dufoulon
Présentation
Promenade plantée
L'édifice occupe l'emplacement d'une promenade plantée (mail) visible sur un plan des abords de l'établissement thermal et de son parc dans le Livre de l'arpentement général du territoire de la ville de Luxeuil (1771). Cette promenade appartient encore à la commune lors de la levée du plan du cadastre ancien dit napoléonien (1827) mais elle est acquise par l'architecte Charles-Antoine Monnier avant 1843.La ville dispose d'une salle pour les jeux et les bals, située dans l'hôtel de ville, dès le début du 19e siècle. Sa faible fréquentation par les "curistes étrangers" semble très tôt avoir motivé la commune à créer une nouvelle salle plus conforme à leurs attentes. Lors d'une visite en septembre 1842, Charles-Pierre Gourlier, inspecteur général des bâtiments civils, en fait également une priorité. Dans un premier temps, la commune décide de construire un "salon destiné aux baigneurs" à proximité immédiate du collège, en bordure nord de la ville ancienne, le 30 juillet 1843. Le conseil municipal se ravise et choisit le site de la promenade plantée appartenant à Monnier, à l'écart de la ville, le 11 octobre 1843 ; c'était d'ailleurs l'emplacement préconisé par Gourlier. Cette nouvelle décision entraîne une pétition des habitants, mais le sous-préfet tranche en faveur du nouveau site en novembre 1843.
Salon Monnier (à partir de 1844)
L'architecte Charles-Antoine Monnier fait construire un premier édifice, correspondant à la partie nord de l'ensemble actuel, en 1844. L'implication personnelle de l'architecte semble avoir été décisive, car la commune n'a pas les ressources nécessaires pour financer les travaux. Révillout (1856) confirme qu'il a construit l'édifice ("un magnifique salon") à ses frais. Le 8 avril 1844, un bail est signé entre Monnier et la Ville, qui s'engage à verser un loyer annuel de 1400 francs de 1845 à 1862. Les travaux sont terminés le 21 septembre 1845. La gestion de l'établissement est théoriquement assurée par la commune. Dans les faits, elle est confiée à des exploitants : Fridolin (années 1850), Redoutez (années 1860), Guyot (années 1870). Pour l'ameublement de l'édifice, la commune reçoit une subvention de l’État de 1500 francs en 1844. En 1855, la propriété de l'édifice passe à la veuve de Charles-Antoine Monnier, qui la conserve jusqu'à la fin des années 1860, puis à Camille Richard. Le "Salon Monnier" est le lieu de sociabilité par excellence des curistes dans la seconde moitié du 19e siècle. Il est évoqué par Aliès (1850) : "Le [...] grand salon est situé hors de l'établissement, vis-à-vis sa façade principale. Il n'est ouvert que pendant la saison des eaux, et est exclusivement destiné aux réunions des étrangers, auxquels se mêlent quelques notables habitants de Luxeuil : les uns et les autres y sont admis par abonnement, ou en payant un prix d'entrée, qui reste toujours dans des conditions très modérées. On y cause, on y lit journaux et revues, on y fait de la musique, on danse, on joue."Deux plans (du rez-de-chaussée et de l'étage) et trois élévations (façade avant, façade arrière et façade latérale) de l'architecte sont conservés dans les archives de la commune (311 E dépôt 355). La façade principale de l'édifice projeté, faisant face à l'établissement thermal, s'étend sur cinq travées de largeur et s'élève sur trois niveaux. La disposition des baies au rez-de-chaussée (trois baies jumelées dans un avant-corps central, encadrées par deux baies isolées) correspond bien à celle du rez-de-chaussée de la façade actuelle. Les autres niveaux ont en revanche été modifiés sans doute avant la mise en œuvre du projet (remplacement du second étage par un étage entresolé). Une photographie ancienne (30 J 161) montre l'état de la façade vers 1880. La distribution intérieure d'origine est connue grâce à deux auteurs, Billout (1857) et surtout Delaporte (1867) : "En face de la grille d'honneur des Bains, se trouve le Casino. [...] Le rez-de-chaussée renferme une salle de billard, une salle de restaurant, un salon de toilette, une cour avec deux charmilles touffues, des jeux de différentes espèces, une rotonde couverte, dans laquelle on peut danser. Au fond du vestibule d'entrée, un large escalier, à course douce, conduit à l'étage où l'on trouve un magnifique salon pour bal : ce salon communique avec d'autres pièces pour la lecture des journaux, la musique, la conversation et le jeu. Les façades du bâtiment sont pourvues, au nord et au sud, de vastes balcons donnant sur les Bains et sur la campagne [...]."
Dans un état des lieux de l'édifice (5 M 170) dressé par l'architecte Félix-Hercule Grandmougin en 1862, un certain nombre de désordres sont signalés. Ils sont principalement dus à l'absence de mur de refend, que l'auteur explique par la volonté du constructeur de se laisser la possibilité de transformer l'édifice en hôtel ("Cette double intention, qui a dominé le constructeur, l'a forcé à admettre des dispositions générales et d'ensemble nuisibles, sous un certain point de vue, à l'architecture et à la distribution de ce bâtiment. [...] Les cloisons de distribution qui sont en pans de bois reposant en partie sur de simples poutrages et recevant toute la charge de la charpente et de la toiture ont dû forcément se tasser et occasionner des dépressions dans les planchers et plafonds assez considérables pour donner des craintes sur leur solidité et obliger le propriétaire à faire construire dans les caves des murs de refend sous les cloisons et à changer les laves de la couverture par des tuiles grand modèle afin de diminuer le poids").
Modern Hôtel (à partir de 1896)
L'édifice appartient à Camille Richard dans les années 1870, puis à Paul David, chef du cabinet du préfet puis sous-préfet, dans les années 1880. Le Guide du baigneur et du touriste (1892) confirme que l'édifice abrite encore un casino ("Il est malheureusement trop exigu"). Il est alors en très mauvais état. Dans les années qui suivent, les salles de jeux sont transférées dans un autre édifice, au croisement de la rue des Thermes et de la rue de Grammont. En 1896, le "Salon Monnier" est alors acquis par Joseph Conus, maître d'hôtel à Luxeuil et déjà propriétaire de l'Hôtel du Lion Vert. Joseph Conus agrandit l'édifice, qui passe de 28 à 67 ouvertures en 1899, puis à 73 ouvertures en 1904, puis à 105 ouvertures en 1905, et le transforme en hôtel de voyageurs. La construction d'une cave est signalée au préfet par le directeur de l'établissement thermal, mais un ingénieur des mines confirme que les travaux sont conformes au règlement du périmètre de protection des eaux en 1899. De cette époque doit dater la surélévation du bâtiment grâce à la création de deux nouveaux étages carrés d'abord couverts d'un terrasse, elle-même rapidement remplacée par un étage de comble. L'extension vers le sud donne naissance à une courte aile de deux travées de longueur du côté du jardin.Les travaux se poursuivent après la mort de Joseph Conus (1904). Ils sont commandés par sa veuve, qui s'adresse à l'architecte Albert Salomon. Plusieurs de ses dessins sont conservés. Ceux relatifs au prolongement de quatre travées de l'aile en retour sur le jardin sont datés de mars 1906. Les travaux ont dû être lancés rapidement puisque l'hôtel compte 115 ouvertures dès 1906, puis 159 ouvertures en 1907. D'autres dessins concernent l'aménagement du jardin : création d'une annexe (5 avril 1907) et d'une grille (15 mars 1911). L'installation de l'ascenseur électrique hors-œuvre en façade côté jardin est relativement tardive. L'entreprise Edoux et Compagnie propose un projet daté du 29 mars 1908. L'ascenseur permet de distribuer les coursières en surplomb des quatre étages. Du début du 20e siècle datent également deux édifices qui dépendent du Modern Hôtel : le garage (1906) et la Villa des Tilleuls (1911) également construits par Albert Salomon pour la veuve Conus.
Au début des années 1920, le Modern Hôtel et ses dépendances deviennent la propriété d'Antoine Achille Giry. Il occupe la première place du classement des hôtels de Luxeuil, en concurrence avec l'Hôtel Métropole également situé rue des Thermes, pendant l’Entre-deux-guerres. Il comprend entre 70 et 80 chambres.
Résidence Franche-Comté (à partir de 1960)
L'édifice appartient à la Ville de Luxeuil-les-Bains dans la seconde moitié du 20e siècle. En 1960, l'hôtel est transformé en immeuble à logements destinés aux curistes et devient la "Résidence Franche-Comté". L'édifice est ensuite désaffecté. Il a perdu son étage de comble. Il est acquis en même temps que l'établissement thermal par la Chaîne thermale du Soleil en 1999.Historique
En 1844, l'architecte Charles-Antoine Monnier fait construire un premier édifice, correspondant à la partie nord. En 1896, le "Salon Monnier" est acquis par Joseph Conus. Celui-ci agrandit l'édifice, qui passe de 28 à 67 ouvertures en 1899, puis à 73 ouvertures en 1904, puis à 105 ouvertures en 1905, et le transforme en hôtel de voyageurs. Les travaux se poursuivent après la mort de Joseph Conus (1904). Ils sont commandés par sa veuve, qui s'adresse à l'architecte Albert Salomon. Plusieurs de ses dessins sont conservés. Ceux relatifs au prolongement de quatre travées de l'aile en retour sur le jardin sont datés de mars 1906. Les travaux ont dû être lancés rapidement puisque l'hôtel compte 115 ouvertures dès 1906, puis 159 ouvertures en 1907. D'autres dessins concernent l'aménagement du jardin : création d'une annexe (5 avril 1907) et d'une grille (15 mars 1911). L'installation de l'ascenseur électrique hors-œuvre en façade côté jardin est relativement tardive. L'entreprise Edoux et Compagnie propose un projet daté du 29 mars 1908.
- 2e quart 19e siècle
- 4e quart 19e siècle
- 1er quart 20e siècle
Date de naissance : 1807 - date de décès : 1855
Charles-Antoine Monnier, architecte.
Date de naissance : 1869 - date de décès : 1957
Albert Salomon, architecte à Belfort à partir de 1900. Né à Strasbourg. Fils d’Émile Salomon, architecte, et de Madeleine Stuber. Élève de Gaston Redon. Diplômé de l’École des Beaux-Arts de Paris en 1900.
Description
L'édifice comprend un rez-de-chaussée et trois étages carrés. L'ancien toit brisé a disparu, et l'édifice est simplement couvert de zinc. La façade est construite en grès.
- grès
- pierre de taille
- zinc en couverture
- rez-de-chaussée
- 3 étages carrés
- élévation ordonnancée
- toit à longs pans, croupe
- escalier dans-oeuvre,
- ascenseur
- désaffecté, mauvais état
Source(s) documentaire(s)
-
Archives départementales de la Haute-Saône. Cadastre de la commune de Luxeuil-les-Bains. [1827-1934].
Archives départementales de la Haute-Saône. Cadastre de la commune de Luxeuil-les-Bains. [1827-1934].- Atlas parcellaire (1827)- État de section (1833) : 3 P 146- Matrices cadastrales des propriétés bâties et non bâties (1829-1914) : 3 P 1114 (folio 1 à 518), 3 P 1115 (folio 519 à 915), 3 P 1116 (folio 916 à 1311)- Matrices cadastrales des propriétés bâties : 3 P 2264 (folio 1 à 639), 3 P 2265 (folio 640 à 753)- Matrices cadastrales dites "matrices noires" des propriétés bâties (1911-1934) : 3 P 3917 (folio 1 à 505), 3 P 3918 (folio 505 à 791)- Matrices cadastrales dites "matrices noires" des propriétés non bâties (1914-1934) : 3 P 3914 (folio 1 à 492), 3 P 3915 (folio 493 à 1091), 3 P 3916 (folio 1092 à 1225)Lieu de conservation : Archives départementales de la Haute-Saône, Vesoul -
Archives départementales de la Haute-Saône. 311 E dépôt 314. Police [1791-1931].
Archives départementales de la Haute-Saône. 311 E dépôt 314. Police [1791-1931]. Casino de Luxeuil : autorisation, police des feux (1854-1923). Règlement pour les auberges et les hôtels qui logent des étrangers (1831, 1929) ; listes des étrangers qui logent dans les hôtels et qui fréquentent les thermes de Luxeuil (1792-an IX).Lieu de conservation : Archives départementales de la Haute-Saône, Vesoul - Cote du document : 311 E dépôt 314 -
Archives départementales de la Haute-Saône. 311 E dépôt 355. Édifices publics.
Archives départementales de la Haute-Saône. 311 E dépôt 355. Édifices publics. Abattoir public : construction, achat de terrains (1829-1831, 1881-1891) avec plans. Bains de Luxeuil : location, entretien, travaux de réparation, aménagement, etc. avec plans (1779-1945).Lieu de conservation : Archives départementales de la Haute-Saône, Vesoul - Cote du document : 311 E dépôt 355 -
Archives départementales de la Haute-Saône. 311 E dépôt 355. Édifices publics.
Archives départementales de la Haute-Saône. 311 E dépôt 355. Édifices publics. Abattoir public : construction, achat de terrains (1829-1831, 1881-1891) avec plans. Bains de Luxeuil : location, entretien, travaux de réparation, aménagement, etc. avec plans (1779-1945).Lieu de conservation : Archives départementales de la Haute-Saône, Vesoul - Cote du document : 311 E dépôt 355 -
Archives départementales de la Haute-Saône. 311 E dépôt 355. Édifices publics.
Archives départementales de la Haute-Saône. 311 E dépôt 355. Édifices publics. Abattoir public : construction, achat de terrains (1829-1831, 1881-1891) avec plans. Bains de Luxeuil : location, entretien, travaux de réparation, aménagement, etc. avec plans (1779-1945).Lieu de conservation : Archives départementales de la Haute-Saône, Vesoul - Cote du document : 311 E dépôt 355 -
Archives départementales de la Haute-Saône. 311 E dépôt 386. Établissements hospitaliers [1804-1945].
Archives départementales de la Haute-Saône. 311 E dépôt 386. Établissements hospitaliers [1804-1945]. Thermes de Luxeuil. Constitution et installations : situation des thermes (rapports au ministre, secrétaire d’État au département du Commerce et de l’Agriculture) (1837-1881) ; règlements pour l’administration en régie des Eaux thermales de Luxeuil (affiches), pour la fourniture de la lingerie et le service des baigneurs (1832-1896) ; projet de création, par souscription, d’une société de commerce entre Plombières et Luxeuil pour leurs eaux thermales (1856) ; cession par l’État à la ville de Luxeuil-les-Bains (1936) ; baux des thermes (1809-1812, 1843, 1922, 1924, 1938) ; modification du cahier des charges incombant à la société locataire (1938) ; action en justice de la ville contre la Nouvelle société Fermière de l’Établissement thermal de Luxeuil-les-Bains et prise en possession de l’établissement thermal par la ville (1942-1947, s.d.) ; assurance des établissements thermaux (1887, 1945) ; usage et règlement, emplois et distribution des eaux thermales et travaux de recherche des eaux ferrugineuses de Luxeuil (an XII-1945) ; établissement d’un périmètre de protection autour des sources minérales appartenant à l’État (1872) ; personnel (nomination) et traitement des médecins-inspecteurs (1824-1878) ; emplois des travailleurs nécessiteux aux thermes de Luxeuil ; salon des bains (1841, 1844-1862) ; admissions et tarifs des bains, douches, etc. (1862-1931) ; pharmacie des thermes (1882, 1888) ; acquisition de nouvelles baignoires (1818) ; entretien des abords extérieurs des thermes (1887, 1923) ; projet d’installation d’un distributeur automatique de tickets et d’établissement d’une fontaine de distribution d’eau du grand bain (1914) ; demande en autorisation de construire une maison et de creuser un puits dans le périmètre de protection des sources (s.d.) ; publicité (par souscription) en faveur des bains de Luxeuil dans l’Album Universel des Eaux et le Monde Thermal, La Gazette des Eaux et son annuaire, Le Moniteur, Le Constitutionnel ; affaires relatives au respect de l’établissement (1866).Lieu de conservation : Archives départementales de la Haute-Saône, Vesoul - Cote du document : 311 E dépôt 386 -
Archives départementales de la Haute-Saône. 5 M 159. Établissement thermal de Luxeuil [an X-1935].
Archives départementales de la Haute-Saône. 5 M 159. Établissement thermal de Luxeuil [an X-1935]. Sources : déclaration d’intérêt public (1858-1859). Protection des sources : périmètre de protection accordé par décret du 12 juillet 1872 (1856-1872), travaux de construction, ouverture de carrière, captage de source, déplacement d’une fosse d’aisance, faits par des particuliers (1856-1902), forage de puits par des particuliers (1898-1907), rapports, analyses effectuées au sujet de la situation bactériologique des eaux (an X-1935).Lieu de conservation : Archives départementales de la Haute-Saône, Vesoul - Cote du document : 5 M 159 -
Archives départementales de la Haute-Saône. 5 M 170. Établissement thermal de Luxeuil [1843-1891].
Archives départementales de la Haute-Saône. 5 M 170. Établissement thermal de Luxeuil [1843-1891]. Casino ou salon de conversation, établissement et ameublement (1843-1854), projets de construction (1866-1891), projet d’acquisition de la maison Desgranges, pour y établir des salons (1862).Lieu de conservation : Archives départementales de la Haute-Saône, Vesoul - Cote du document : 5 M 170 -
Archives départementales du Territoire de Belfort. 30 J 161. Luxeuil-les-Bains. Modern Hôtel, Villa des Tilleuls, garage et communs, chapelle funéraire Conus.
Archives départementales du Territoire de Belfort. 30 J 161. Luxeuil-les-Bains. Modern Hôtel, Villa des Tilleuls, garage et communs, chapelle funéraire Conus.Lieu de conservation : Archives départementales du Territoire de Belfort, Belfort - Cote du document : 30 J 161
-
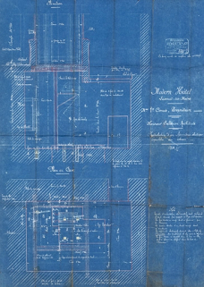
Plan du soubassement du rez-de-chaussée et du premier étage d'un bâtiment projeté par le sieur Monnier, architecte à Luxeuil, sur le terrain vis-à-vis la grille des bains pour l'établissement des salons de conversation à annexer aux bains de la ville de Luxeuil. [Vers 1844].
Plan du soubassement du rez-de-chaussée et du premier étage d'un bâtiment projeté par le sieur Monnier, architecte à Luxeuil, sur le terrain vis-à-vis la grille des bains pour l'établissement des salons de conversation à annexer aux bains de la ville de Luxeuil / [Charles-Antoine Monnier]. [Vers 1844]. Calque. 60 x 45 cm.Lieu de conservation : Archives départementales de la Haute-Saône, Vesoul - Cote du document : 311 E dépôt 355 -
Élévations des faces d'un bâtiment projeté par le sieur Monnier, architecte à Luxeuil. [Vers 1844].
Élévations des faces d'un bâtiment projeté par le sieur Monnier, architecte à Luxeuil / [Charles-Antoine Monnier]. [Vers 1844]. Calque. 52 x 42 cm.Lieu de conservation : Archives départementales de la Haute-Saône, Vesoul - Cote du document : 311 E dépôt 355 -
[Façade du casino des thermes dit Salon Monnier]. [Vers 1880].
[Façade du casino des thermes dit Salon Monnier] / [auteur inconnu]. [1880]. Photographie. 17 x 13 cm.Lieu de conservation : Archives départementales du Territoire de Belfort, Belfort - Cote du document : 30 J 161 -
Modern Hôtel à Luxeuil. Madame Veuve Conus propriétaire. Façade ouest. [vers 1904].
Modern Hôtel à Luxeuil. Madame Veuve Conus propriétaire. Façade ouest / Albert Salomon. [vers 1904]. Dessin. 64 x 55 cm. Échelle 1/100.Lieu de conservation : Archives départementales du Territoire de Belfort, Belfort - Cote du document : 30 J 161 -
Madame Conus, propriétaire, Luxeuil-les-Bains. Agrandissement du Modern-Hôtel. 1er mars 1906.
Madame Conus, propriétaire, Luxeuil-les-Bains. Agrandissement du Modern-Hôtel. Face principale. Face sur jardin. Face sur rue / Albert Salomon. 1er mars 1906. Diazographie. 70 x 66 cm. Échelle 1/50.Lieu de conservation : Collection particulière : Romuald Simard, Luxeuil-les-Bains -
Madame Conus, propriétaire à Luxeuil. Agrandissement du Modern-Hôtel. [Plan du] sous-sol. 20 mars 1906.
Madame Conus, propriétaire à Luxeuil. Agrandissement du Modern-Hôtel. [Plan du] sous-sol / Albert Salomon. 20 mars 1906. Diazographie. 74 x 41 cm.Lieu de conservation : Collection particulière : Romuald Simard, Luxeuil-les-Bains -
Madame Conus à Luxeuil-les-Bains. Projets d'annexe dans le jardin. 5 avril 1907.
Madame Conus à Luxeuil-les-Bains. Projets d'annexe dans le jardin / Albert Salomon. 5 avril 1907. Diazographie. 58 x 50 cm. Échelle 1/50.Lieu de conservation : Collection particulière : Romuald Simard, Luxeuil-les-Bains -
Installation d'un ascenseur électrique équilibré au demi. Plan en cave. Élévation. 27 mars 1908.
Modern Hôtel. Luxeuil-les-Bains. Madame Veuve Conus, propriétaire. Monsieur Salomon, architecte. Installation d'un ascenseur électrique équilibré au demi. Plan en cave. Élévation / Edoux et Compagnie. 27 mars 1908. Diazographie. 89 x 64 cm. Échelle 1/10.Lieu de conservation : Collection particulière : Romuald Simard, Luxeuil-les-Bains -
Madame Conus à Luxeuil. Grille d'entrée du jardin. 15 mars 1911.
Madame Conus à Luxeuil. Grille d'entrée du jardin / Albert Salomon. 15 mars 1911. Calque. Échelle 1/10. 51 x 48 cm.Lieu de conservation : Collection particulière : Romuald Simard, Luxeuil-les-Bains -
Madame Conus, propriétaire, Luxeuil-les-Bains. Communs. Plan du rez-de-chaussée. [Vers 1910]..
Madame Conus, propriétaire, Luxeuil-les-Bains. Communs. Plan du rez-de-chaussée / Albert Salomon. [Vers 1910]. Calque. 81 x 37 cm. Échelle 1/50.Lieu de conservation : Archives départementales du Territoire de Belfort, Belfort - Cote du document : 30 J 161 -
Madame Conus à Luxeuil-les-Bains. Communs. Face sur jardin. [Vers 1910].
Madame Conus à Luxeuil-les-Bains. Communs. Face sur jardin / Albert Salomon. [Vers 1910]. Calque. 75 x 43 cm. Échelle 1/50.Lieu de conservation : Archives départementales du Territoire de Belfort, Belfort - Cote du document : 30 J 161 -
Luxeuil-les-Bains. Modern-Hôtel. Façade nord. [Vers 1920].
Luxeuil-les-Bains. Modern-Hôtel. Façade nord / [auteur inconnu]. [Besançon] : [Louis Lardier], [vers 1920]. Carte postale.Lieu de conservation : Collection particulière -
Luxeuil-les-Bains. Modern Hôtel et Villa des Tilleuls. [Premier quart du 20e siècle].
Luxeuil-les-Bains. Modern Hôtel et Villa des Tilleuls / [auteur inconnu]. Fougerolles : Reuchet, [premier quart du 20e siècle]. Carte postale.Lieu de conservation : Archives départementales de la Haute-Saône, Vesoul - Cote du document : 11 Fi 311/103 -
Luxeuil-les-Bains. Modern-Hôtel, jardins et terrasse. [Vers 1920].
Luxeuil-les-Bains. Modern-Hôtel, jardins et terrasse / [auteur inconnu]. [Besançon] : [Louis Lardier], [vers 1920]. Carte postale.Lieu de conservation : Collection particulière
-
Aliès, Barnabé. Études sur les eaux minérales en général, et sur celles de Luxeuil en particulier. 1850.
Aliès, Barnabé. Études sur les eaux minérales en général, et sur celles de Luxeuil en particulier, précédées d'un aperçu historique, topographique et statistique sur la ville de Luxeuil. Paris : J.-B. Baillière, 1850. XLVII-220 p. -
Révillout, Victor. Notice sur les eaux minérales de Luxeuil. 1856.
Révillout, Victor. Notice sur les eaux minérales de Luxeuil. Besançon : Vve C. Deis, 1856. 24 p. -
Delaporte, A. Hydrologie médicale : bains de Luxeuil (Haute-Saône). Histoire des eaux de Luxeuil et des maladies dans lesquelles on les emploie.1865.
Delaporte, A. Hydrologie médicale : bains de Luxeuil (Haute-Saône). Histoire des eaux de Luxeuil et des maladies dans lesquelles on les emploie, eaux ferro-manganésifères, eaux salino-thermales. Paris : Masson, 1865. 199 p. -
Histoire de Luxeuil. Guide du baigneur et du touriste. [1892].
Histoire de Luxeuil. Guide du baigneur et du touriste. Luxeuil-Les-Bains : E. Jeudy, [1892]. -
Pierra, Louis-Melchior. Luxeuil-les-Bains et ses environs, guide médical, historique et touristique. 1923.
Pierra, Louis-Melchior. Luxeuil-les-Bains et ses environs, guide médical, historique et touristique. Paris : L’Expansion scientifique française, 1923. 121 p. -
Desgranges, Bernard. Luxeuil, pas à pas. 1993.
Desgranges, Bernard. Luxeuil, pas à pas. Luxeuil-les-Bains : B. Desgranges, 1993. 2 vol. 290 p. et 280 p.
À voir
Informations complémentaires
- thermalisme en Bourgogne-Franche-Comté (le)
- communs
- © Région Bourgogne-Franche-Comté, Inventaire du patrimoine
