CERCLE DE SOCIABILITÉ (CERCLE MILITAIRE) PUIS CINÉMA EDEN, CAFÉ DU COLISÉE ET SALLE DES FÊTES
58 - Cosne-Cours-sur-Loire
2 rue Saint-Agnan
- Dossier IA58000664 réalisé en 2000 revu en 2023
- Auteur(s) : Claudine Hugonnet-Berger, Alain Morelière, Laurent Poupard
Présentation
Le cinéma est installé sur le site de l'ancien hôtel-Dieu de Cosne. Cet établissement, situé entre deux bras du Nohain, est attesté dès la fin du 15e siècle. Il comportait à proximité de la route une chapelle, bénie le 31 mai 1752 et dédiée à saint Lazare. Porté sur le plan cadastral de 1834, il est alors en mauvais état. Il est d'ailleurs abandonné en 1847, à la suite de l'inondation du 19 octobre 1846, et sera remplacé en 1855 par un nouvel hôpital (au 96 rue du Maréchal Leclerc). Bâtiments et terrains sont vendus en 1854 et 1855 à des particuliers et aux forges impériales de la Chaussade pour y construire des entrepôts. Le site passe ensuite (en location ?) à Pierre Lapeyre, "entrepreneur de démolition à Paris" (avenue de Saint-Mandé), lequel fait bâtir en 1892, à l'emplacement de la chapelle, un cercle militaire destiné aux officiers et sous-officiers du 85e régiment d'infanterie. La Ville l'achète en 1905 à la SA des Forges et Clouteries françaises, rue du Faubourg Saint-Antoine à Paris, représentée par ses liquidateurs Léon Delmas, Clément Dumont et Alexis Trapenard. Elle souhaite y faire construire une école mais ce projet demeurant sans suite, elle loue le lieu aux fabricants de chaussures Laforge et Pissot. Elle le revend le 29 octobre 1910 à un autre fabricant de chaussures, la société Dressoir.
Un temps réquisitionné par l'armée à la fin de 1914, l'ancien cercle est loué par un "tourneur", Emile Pluviaux (Lays-sur-le-Doubs 28 novembre 1867-Cosne 30 août 1940), forain à la tête d'un cinéma ambulant et propriétaire d'un établissement fixe à Mourmelon (Marne). Après rénovation, l'Eden-Cinéma Cosnois ouvre le samedi 16 janvier 1915. Il comprend une "grande salle pour réunions" de 300 places (400 places seront annoncées au milieu des années 1920 pour la salle de cinéma) et un café, avec terrasse et jardin ombragé accueillant des concerts. Le 28 avril 1917, Pluviaux achète le bâtiment à la société en nom collectif pour la fabrication des chaussures Dressoir Pemartin Pulm et Cie, établie à Paris (au 18 rue du Général Lasalle). Il lui ajoute, à l'ouest, une salle de bal de 500 places (dotée d'une buvette et d'une galerie à l'étage), inaugurée le 25 septembre 1921. L'incendie du théâtre le 15 décembre 1922 conduit la municipalité à examiner la question de la sécurité du cinéma. L'architecte municipal, Fernand Boussard, rend son rapport le 5 janvier 1923 et le propriétaire n'exécutant pas les travaux demandés, le maire prend le 15 novembre 1923 un arrêté de fermeture de l'établissement (sans effet, sinon la construction de la passerelle donnant accès à l'impasse de l'Annonciade ?).
Pluviaux décide de repartir à Mourmelon et il vend le 10 mars 1924 son fonds de commerce de cinéma, bal et café à Mme Eugénie Plumard, épouse du représentant de commerce Albert Galais, qui le cède le 2 février 1926 à Georges Cuissard (Paris 7 juin 1881-16 décembre 1944), demeurant rue de la Loire à Briare. L'acte de vente mentionne les enseignes Eden Cinéma et Café du Colysée, la clientèle, le droit au bail consenti par M et Mme Pluviaux le 10 mars 1924, les objets mobiliers et le matériel (à l'exception d'une turbine) dont "dans la cabine cinématographique : un groupe complet avec son matériel, un transformateur de 220 volts, son rhéostat de champs, un tableau départ complet pour ligne électrique, une résistance, un voltmètre, un ampèremètre, une lanterne et deux appareils cinématographiques, dont un de rechange, une enrouleuse, treize bobines, un extincteur d’incendie [...] Scène du cinéma : trois décors complets, cinq sortes de fonds et une échelle double [...] Salle de cinéma : un piano à queue Erard et son tabouret, sièges complets, cinq portes et fenêtres garnies de velours, un poêle et ses tuyaux [...]" Une pergola est créée en 1928 à l'avant du bâtiment. Cuissard et son gendre, Roger Dubois, convertissent l'établissement au parlant en 1931. Le 6 janvier 1933, Cuissard achète à Pluviaux (à la tête, avec son associé Pernot, du Tivoli-Cinéma, 4 rue Général Gouraud à Mourmelon-le-Grand) l'ensemble des bâtiments abritant le cinéma, soit : "salle de spectacle avec scène et arrière-scène", cuisine, terrasse, "salle de café et grande salle de bal avec galeries et balcon", pont, grenier, petite cour, cour avec pergola. Il acquiert aussi une partie de ceux au 4 rue Saint-Agnan (appartement) et "une petite remise avec turbine". En 1934, il acquiert 259 sièges des Ets Bertrand Faure, de Puteaux (Hauts-de-Seine), et en 1935, il fait moderniser le site par l'architecte Roger Charton, qui sera directeur des travaux de la Ville à partir du 1er janvier 1936. Charton est l'auteur de la façade Art déco ornée des inscriptions encadrant la fenêtre centrale : Eden-cinéma (en arc de cercle) au-dessus et café dancing au-dessous (au lieu de la maxime initialement prévue : Instruire en distrayant). Equipé de 529 sièges fournis par les Ets Bertrand Faure, de Puteaux, le nouvel établissement est inauguré le 11 avril 1935. Il est signalé par l'Annuaire général du Spectacle en France 1942-43 comme cinéma de 500 places équipé en 35 mm, et dispose d'une scène de 6,5 m sur 5 m (il était répertorié en 1930 comme Théâtre-Eden-Cinéma).
La salle de bal est acquise, le 3 juillet 1972, par la Ville qui décide, le 26 juin 1973, de la faire reconstruire suivant le projet de l'architecte Gérard Brunet, de Bourges, et de l'ingénieur Marc de Goulet, de Cosne. Ce sera une salle de 20 m sur 15, d'une capacité de 360 places assises, 230 en configuration banquet ou près de 900 en dancing, avec une scène de 9 m sur 5, deux loges d'acteur, un balcon de 98 places assises. L'entreprise Filardo, de Fourchambault, également chargée du gros-oeuvre, débute la démolition à partir de septembre 1975. La salle ouvre le 2 octobre 1976, puis est inaugurée le 27 novembre suivant. Le cinéma est rénové en 1973 et sa façade est ravalée en 1977.
L'établissement est acheté le 18 juillet 1988 aux descendants de Cuissard par la Ville, qui en laisse la gérance à la société Vega, de Jean-Jacques Mary (laquelle exploite également ceux de La Charité-sur-Loire, Clamecy, Château-Chinon, Decize et Luzy), à laquelle succède Daniel Riotte à la fin de 1992. Les deux projecteurs Philipps FP 5 sont remplacés en août 1993 par un Cinemeccanica Victoria 5, avec lampe Xenon de 2 500 W. Le bâtiment est remanié en 1994 suivant le projet de l'architecte parisien Jean-Claude Pourtier, spécialisé dans ce type d'établissement : la salle est rénovée, l'escalier extérieur donnant accès à la cabine de projection supprimé de même que les deux édicules encadrant la grille, la partie gauche aménagée en salon ("café cinéma") de 52 places. Le cinéma rouvre le 2 novembre 1994 et il est inauguré le 1er juin 1995. il est doté en septembre 1998 d'une deuxième salle (équipée d'un projecteur Kinoton FP 25), financée par D. Riotte et remplaçant l'ancienne scène. Il totalise alors 384 places : 276 (dont 96 au balcon) dans la salle 1, 108 dans la 2 (l'aménagement d'une troisième salle, de 85 places, dans l'appartement à l'étage est un temps envisagé).
La façade et la grille sont protégées au titre des Monuments historiques (inscription) le 28 avril 1999 (un premier avis favorable, rendu le 11 décembre 1985, était resté lettre morte face à l'opposition des propriétaires d'alors) et il est labellisé Patrimoine XXe siècle en 2005. L'équipement est passé au numérique en 2001-2002 : le projecteur Cinemeccanica Victoria 5 (n° 05935271), muni d'une lanterne Zenith X 4000H (n° 04093659) et d'un moteur ICM (Industria Costruzioni Meccaniche, fabriqué à Milan en février 1993) de la salle 1 est remplacé par un NEC 2000 C (mais il est conservé et exposé dans la salon) tandis que le Kinoton FP 25 (avec dérouleur vertical) de la salle 2 cède la place à un NEC 1200. En 2019, le cinéma compte 312 fauteuils, répartis entre les salles 1 (204 places, dont 80 au balcon) et 2 (108 places).
Historique
En 1892, Pierre Lapeyre, "entrepreneur de démolition à Paris", fait bâtir à l'emplacement de la chapelle de l'ancien hôtel-Dieu de Cosne un cercle militaire, destiné aux officiers et sous-officiers du 85e régiment d'infanterie. La Ville l'achète en 1905 à la SA des Forges et Clouteries françaises, installée dans les anciennes forges impériales de la Chaussade, puis le vend en 1910 à un fabricant de chaussures, la société Dressoir (en 1917 Dressoir Pemartin Pulm et Cie, à Paris). Le bâtiment est loué au tournant de 1914-1915 par Emile Pluviaux, un "tourneur" (forain à la tête d'un cinéma ambulant), par ailleurs propriétaire d'un établissement fixe à Mourmelon (Marne). Après rénovation, l'Eden-Cinéma Cosnois ouvre le samedi 16 janvier 1915 : il comprend une grande salle de 300 places (400 seront annoncées au milieu des années 1920) et un café, avec terrasse et jardin ombragé accueillant des concerts. Le 28 avril 1917, Pluviaux achète le bâtiment et lui ajoute, à l'ouest, une salle de bal de 500 places (dotée d'une buvette et d'une galerie à l'étage), inaugurée le 25 septembre 1921. Il vend en 1924 son fonds de commerce avec mobilier et enseignes (Eden Cinéma et café du Colisée). L'établissement est dirigé à partir de février 1926 par Georges Cuissard. Répertorié en 1930 comme Théâtre-Eden-Cinéma, il est converti au parlant en septembre 1931. Cuissard achète le bâtiment en janvier 1933 et le fait moderniser en 1935 par l'architecte Roger Charton (nommé directeur des travaux de la Ville l'année suivante), auteur de la façade Art déco. Inauguré le 11 avril 1935, le nouvel établissement est signalé par l'Annuaire général du Spectacle en France 1942-43 comme cinéma de 500 places équipé en 35 mm, et disposant d'une scène de 6,5 m sur 5 m.
La salle de bal est acquise le 3 juillet 1972 par la Ville, qui décide de la faire reconstruire suivant le projet de l'architecte Gérard Brunet, de Bourges, et de l'ingénieur Marc de Goulet, de Cosne. Ce sera une salle de 20 m sur 15, d'une capacité de 360 places assises, 230 en configuration banquet ou près de 900 en dancing, avec une scène de 9 m sur 5, deux loges d'acteur et un balcon de 98 places. La démolition débute en septembre 1975 et la nouvelle salle est inaugurée le 27 novembre 1976. Le cinéma, rénové en 1973, est acheté par la Ville aux descendants de Cuissard le 18 juillet 1988. Rénové suivant le projet de l'architecte parisien Jean-Claude Pourtier, il rouvre le 2 novembre 1994, avant son inauguration officielle le 1er juin 1995. Il est doté en septembre 1998 d'une deuxième salle (remplaçant l'ancienne scène), due au même architecte. Sa façade et sa grille sont protégées au titre des Monuments historiques en 1999 et il est labellisé Patrimoine XXe siècle en 2005. L'équipement est passé au numérique en 2001-2002 : le projecteur Cinemeccanica Victoria 5 de la salle 1 (qui avait succédé en 1993 au double poste Philipps FP 5) est remplacé par un NEC 2000C tandis que le Kinoton FP 25 (avec dérouleur vertical) de la salle 2 cède la place à un NEC 1200. En 2019, le cinéma totalise 312 fauteuils, répartis entre les salles 1 (204 places, dont 80 au balcon) et 2 (108 places).
- 4e quart 19e siècle
- 4e quart 20e siècle
- 1er quart 20e siècle
- 2e quart 20e siècle
Charton, Roger. Directeur des travaux de la ville de Cosne-Cours-sur-Loire à partir du 1er janvier 1936.
Brunet, Gérard. Architecte, 14 rue du Four au Roi à Bourges en 1973. S'associe dans les années 1970 avec Roch Senly puis ils sont rejoints 20 ans plus tard par Jean-Paul Chazel et Jean-Pierre Prin et leur agence prend le nom de d'Atelier Carré d'Arche.(Source : https://www.calameo.com/read/001121299ba572cf53fca)
Goulet, Marc de. Ingénieur ETP, Infrastructure - Bâtiment - Industrie. Bureau au 2 rue Jean Carriès à Cosne-Cours-sur-Loire en 1973, au 17 rue Pasteur en 2023.
Date de naissance : 03/11/1943
Pourtier, Jean-Claude. Architecte, 23 rue d'Hauteville à Paris en 1994 (autre adresse connue : 9 rue Pierre Lescot). Architecte des salles Action à Paris en 1969, spécialisé dans les salles de cinéma.
Description
Le cinéma a des murs en moellons enduits. Son mur pignon oriental découvert, réalisé en poteaux de béton armé et remplissage en briques creuses enduites, forme une façade écran Art Déco ornée d'une mosaïque. Ses ouvertures sont symétriques : une large porte centrale encadrée par deux plus petites au rez-de-chaussée, une baie semi-circulaire entre deux oculi ovales à l'étage. L'établissement comporte un étage de soubassement (caves, chaufferie et sanitaires), un rez-de-chaussée surélevé et un étage carré accueillant le balcon de la salle 1 (desservi par un escalier droit en béton), la cabine de projection (escalier en vis métallique) et un appartement (escalier extérieur droit en bois au sud). Coiffé d'un toit à longs pans et tuiles mécaniques, il se poursuit à l'ouest par un corps un peu moins élevé (salle 2), protégé par le même type de couverture. La salle des fêtes associe charpente métallique et remplissage en parpaings de béton enduits. Elle comporte un étage carré (balcon), desservi par un escalier suspendu tournant métallique. Son toit à longs pans et pignon couvert est en ardoises, de même que celui du hall d'accueil à l'ouest.
- calcaire
- brique creuse
- béton
- fer
- moellon
- parpaing de béton
- pan de fer
- enduit
- enduit
- enduit
- tuile mécanique
- ardoise
- étage de soubassement
- rez-de-chaussée surélevé
- 1 étage carré
- élévation ordonnancée
- toit à deux pans, pignon découvert
- pignon couvert
- escalier dans-oeuvre, escalier droit, en maçonnerie
- escalier de distribution extérieur, escalier droit, en charpente
- escalier dans-oeuvre, escalier en vis sans jour, en charpente métallique
- escalier dans-oeuvre, escalier tournant, en charpente métallique suspendu
- mosaïque
- ferronnerie
La façade écran Art Déco, cintrée et rythmée par des refends en éventail, met en évidence le nom du cinéma (Eden-Cinéma) en émaux de Briare rouge sur un bandeau également cintré, dont le fond doré est réalisé en fragments de carreaux de grès jaune. Les menuiseries métalliques et les grilles d'entrée, en ferronnerie, font appel au même répertoire décoratif.
Source(s) documentaire(s)
-
Archives départementales de la Nièvre : 3 E 89/122 Cession du fonds de commerce de l’Eden Cinéma à Cosne-sur-Loire (avec inventaire des objets et matériels) par M et Mme Pluviaux à Mme Galais. 10 mars 1924.
Archives départementales de la Nièvre : 3 E 89/122 Cession du fonds de commerce de l’Eden Cinéma à Cosne-sur-Loire (avec inventaire des objets et matériels) par M et Mme Pluviaux à Mme Galais. 10 mars 1924.Lieu de conservation : Archives départementales de la Nièvre, Nevers - Cote du document : 3 E 89/122 -
Archives départementales de la Nièvre : 3 E 89/175 Cession de l’Eden Cinéma à Cosne-sur-Loire (avec inventaire des objets et matériels) par M et Mme Pluviaux à M et Mme Cuissard. 6 janvier 1933.
Archives départementales de la Nièvre : 3 E 89/175 Cession de l’Eden Cinéma à Cosne-sur-Loire (avec inventaire des objets et matériels) par M et Mme Pluviaux à M et Mme Cuissard. 6 janvier 1933.Lieu de conservation : Archives départementales de la Nièvre, Nevers - Cote du document : 3 E 89/175 -
Archives municipales, Auxerre : 1 M 9 Bourse du Travail et Maison du Peuple. 1905-1942.
Archives municipales, Auxerre : 1 M 9 Bourse du Travail et Maison du Peuple. 1905-1942.Lieu de conservation : Archives municipales, Auxerre - Cote du document : 1 M 9 -
Archives municipales, Cosne-Cour-sur-Loire : 4 M 29 Cinéma Eden. Entretien : correspondance, plans, rapports de l’architecte. 1914-1934.
Archives municipales, Cosne-Cour-sur-Loire : 4 M 29 Cinéma Eden. Entretien : correspondance, plans, rapports de l’architecte. 1914-1934.Lieu de conservation : Archives municipales, Cosne-Cours-sur-Loire - Cote du document : 4 M 29
-
Plan général d’alignement de la ville de Cosne et faubourgs [plan d'ensemble]. 1836.
Plan général d’alignement de la ville de Cosne et faubourgs [plan d'ensemble]. Dessin (plume, lavis), par Hipp[oly]te Bec, géomètre de 1re classe du cadastre. 1836. 67 x 98,5 cm, 1/2 000.Lieu de conservation : Archives municipales, Cosne-Cours-sur-Loire - Cote du document : 1 O 2 -
30 Cosne - Usines de clous à cheval, anciennement Forges de la Chaussade, fermées en 1867. S.d. [fin 19e ou début 20e siècle].
30 Cosne - Usines de clous à cheval, anciennement Forges de la Chaussade, fermées en 1867. Carte postale, s.n. S.d. [fin 19e ou début 20e siècle]. B.F. éd.Lieu de conservation : Archives municipales, Cosne-Cours-sur-Loire - Cote du document : non coté -
Cosne. - Pont sur le Nohain. S.d. [1er quart 20e siècle].
Cosne. - Pont sur le Nohain. Carte postale, par N.D. [Neurdein Frères]. S.d. [1er quart 20e siècle]. Impr. et phot. Neurdein et Cie, Paris.Lieu de conservation : Archives départementales de la Nièvre, Nevers - Cote du document : 2Fi Communes 086/47 -
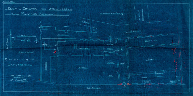
Eden-Cinéma rue St Agnan Cosne. Monsieur Pluviaux propriétaire. Relevé de l’état actuel. 27 décembre 1922.
Eden-Cinéma rue St Agnan Cosne. Monsieur Pluviaux propriétaire. Relevé de l’état actuel. Dessin (tirage bleu), par l’architecte F. Boussard. Cosne le 27 décembre 1922. - Plan d’ensemble. Dessin (tirage bleu), par l’architecte F. Boussard. Cosne le 27 décembre 1922. 37 x 73,5 cm, sans éch. - Plan du cinéma et des galeries bal. 32 x 67 cm, 1/100.Lieu de conservation : Archives municipales, Cosne-Cours-sur-Loire - Cote du document : 4 M 29 -
Eden-Cinéma [plans, coupes et élévation]. 1934.
Eden-Cinéma [plans, coupes et élévation]. Dessin (tirage à l’ammoniaque), par l’architecte Charton. Cosne le 19 mai 1934. 1/50. - Plan général. Sorties et dégagements. 37 x 78,5 cm, 1/100. - Projet de transformation. Plan du parterre. 59 x 83,5 cm. - Plan de la galerie et du logement. 47 x 82,5 cm. - Coupe transversale. 45,5 x 54,5 cm. - Coupe longitudinale. 43 x 61 cm. - Façade. 48 x 578,5 cm, 1/100.Lieu de conservation : Archives municipales, Cosne-Cours-sur-Loire - Cote du document : 4 M 29
-
Célérier, Philippe. Eden (Cosne-Cours-sur-Loire - 58). 16 mai 2013.
Célérier, Philippe. Eden (Cosne-Cours-sur-Loire - 58). Ciné-Façades [en ligne], 16 mai 2013, ill. [consultation du 19 octobre 2023]. Accès internet : https://sallesdecinemas.blogspot.com/2013/05/eden-cosne-cours-sur-loire-58.html -
Servant, Isabelle. Un hôtel-Dieu pour soigner les corps et les âmes. S.d. [mars et avril 2013].
Servant, Isabelle. Un hôtel-Dieu pour soigner les corps et les âmes. Les Cosnoisettes [en ligne]. S.d. [mars et avril 2013] [consultation du 19 octobre 2023]. Article en deux parties. Accès internet : https://mairiecosnesurloire.fr/wp-content/uploads/2019/05/2013-3.-mars.pdf et https://mairiecosnesurloire.fr/wp-content/uploads/2019/05/2013-4.-avril.pdf -
Servant, Isabelle. L'Eden nous fait son cinéma. S.d. [janvier et février 2015].
Servant, Isabelle. L'Eden nous fait son cinéma. Les Cosnoisettes [en ligne]. S.d. [janvier et février 2015] [consultation du 19 octobre 2023]. Article en deux parties. Accès internet : https://mairiecosnesurloire.fr/wp-content/uploads/2019/05/2015-2014-1.-janvier.pdf et https://mairiecosnesurloire.fr/wp-content/uploads/2019/05/2015-2014-2.-f%C3%A9vrier.pdf -
Servant, Isabelle. La salle des fêtes souffle ses 40 bougies ! S.d. [novembre 2016].
Servant, Isabelle. La salle des fêtes souffle ses 40 bougies ! Les Cosnoisettes [en ligne]. S.d. [novembre 2016] [consultation du 19 octobre 2023]. Accès internet : https://mairiecosnesurloire.fr/wp-content/uploads/2019/05/2016-2016-10.-novembre.pdf
-
1895-1995, 100 ans de cinéma en Bourgogne. 1995.
1895-1995, 100 ans de cinéma en Bourgogne. Dijon : Conseil régional de Bourgogne, 1995. 168 p. : ill. ; 26 cm. -
Annuaire du cinéma Bellefaye
Annuaire du cinéma Bellefaye. Paris : Bellefaye, 1948-2015.Titres :Annuaire du cinéma. [1948]-1963.Annuaire du cinéma et télévision. 1964-1985Annuaire du cinéma, télévision, vidéo. 1986-2005.Annuaire du cinéma et de l'audiovisuel. 2006-2015.Numérique à partir de 2016. -
Annuaire général de la Cinématographie et des Industries qui s'y rattachent
Annuaire général de la Cinématographie et des Industries qui s'y rattachent. Paris : Cinémagazine, 1922-...Suite de : Almanach du Cinéma. Paris : Cinémagazine-édition, 1922-1924. -
Annuaire Général du Spectacle en France. 1942-1943.
Annuaire Général du Spectacle en France. 1942-1943. [Paris] : [Impr. spéciale des Guides du Commerce de Paris], 1943. 1052 p. : ill. ; 25 cm. -
Ducrot, Evelyne ; Langlois-Bertrand, Camille ; Gauthier-Masson, Marie-Line ; Massounie, Dominique ; Toulgoat, Morgane. Les lumières de l'Eden, un monument Art Déco à Cosne. 2008.
Ducrot, Evelyne ; Langlois-Bertrand, Camille ; Gauthier-Masson, Marie-Line ; Massounie, Dominique ; Toulgoat, Morgane. Les lumières de l'Eden, un monument Art Déco à Cosne. Cosne-Cours-sur-Loire : Musée de la Loire, 2008. 26 . : ill. ; 20 cm. "Livret publié à l'occasion de l'exposition temporaire Les lumières de l'Eden, un monument Art Déco à Cosne, présentée du 16 octobre au 24 décembre 2008 au Musée de la Loire à Cosne-sur-Loire". -
Les Enfants du Siècle. Petite histoire de l'Eden cinéma. S.d. [2003].
Les Enfants du Siècle. Petite histoire de l'Eden cinéma. S.l. [Sancerre] : s.n. [Impr. Saint-Satur], s.d. [2003]. [40 p.] : ill. ; 21 cm. -
Maupas, Florent. Année record à "l'Eden-Cinéma" : la salle obscure des Cosnois voit grand en attendant le système dolby-stéréo. 13 janvier 1994.
Maupas, Florent. Année record à "l'Eden-Cinéma" : la salle obscure des Cosnois voit grand en attendant le système dolby-stéréo. Le Journal du Centre, 13 janvier 1994, ill. -
Meusy, Jean-Jacques. Cinémas de France, 1894-1918. Une histoire en images. 2009.
Meusy, Jean-Jacques. Cinémas de France, 1894-1918. Une histoire en images. Paris : Arcadia éditions, 2009. 295 p. : ill. ; 32 cm. -
Pousson, Eve. "C'était au temps où l'Eden chantait". 2 novembre 1994.
Pousson, Eve. "C'était au temps où l'Eden chantait". Le Journal du Centre, 2 novembre 1994, p. 10 : ill. -
Souverain, Dominique. L'Eden superstar. 2 novembre 1994.
Souverain, Dominique. L'Eden superstar. Le Journal du Centre, 2 novembre 1994, p. 10 : ill. -
V., J.-M. L'Eden, un cinéma à remonter au paradis. 17 septembre 1987.
V., J.-M. L'Eden, un cinéma à remonter au paradis. La Montagne, 17 septembre 1987, ill.
-
Riotte Daniel (témoignage oral)
Riotte Daniel, ancien projectionniste de l'Eden.
À voir
Informations complémentaires
La façade, les deux édicules à l'entrée et la grille du cinéma Eden (cad. AM 294 à 296, 299) : inscription par arrêté du 28 avril 1999.
- architecture du 20e siècle
- salles de spectacle de Bourgogne-Franche-Comté
- logement
- cour
- © Région Bourgogne-Franche-Comté, Inventaire du patrimoine
